OBJECTIVES after successfully completing this laboratory,
you should be able to:
·
Start the three phase induction motor via
star-delta connection using PLC
·
Start and reverse the direction of the three
phase induction motor via star-delta connection using PLC
1. Basic Information
1.1 Semi-automatic
Star-Delta Starter
Semi-automatic and fully automatic starters require three
contactors to connect the motor windings first in star and then in delta. The
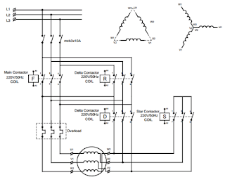
power circuit diagram showing the scheme is given in Fig. 5.1.
Fig. 5.1 Power circuit diagram for a star-delta starter
Whenever one has to make connections for a star-delta
starter it is advantageous to draw the winding diagram as shown in the right
hand side of Fig. 5.1. It helps to remember that for delta connection,
finishing end of one winding is to be connected to starting end of the other
winding as shown in the figure. The three phase supply is then given at the
three junctions. Now let us refer to the power circuit diagram of the starter
as given in Fig. 5.1.
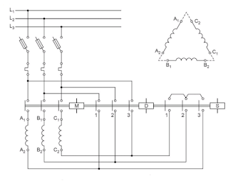
The sequence of
operation of the contactors is as follows. First the contactor S will close for
star connections, then the main
contactor M will close and lastly contactor S will open and contactor D will
close for delta connection. When star contactor is first closed, winding
terminals A2, B2, C2 get connected together through the contacts of contactor S
and thus the windings get connected in star.
Now when the main contractor is closed supply reaches
terminals A1, B1, C 1 and therefore the motor windings are energized in
star-connection. For delta connection, first the star contactor should open
before the delta contactor is closed. If delta contactor gets closed while star
contactor is still ON, dead short circuit takes place at the outgoing leads of
over-load relay through contactor D and S.
This is taken care of by providing
interlocking of auxiliary contacts between contactors S and D. When star
contactor opens and delta contactor closes motor winding terminals A2, B2, C2
get connected to B1, C1, A1 through the closed contacts of contactor M and the
motor runs in delta connection. In a semi-automatic starter, the motor runs in
star connection as long as ON-push button is kept pressed. When ON-push button is released the motor
gets connected in delta and continues to run till the OFF-push button is
actuated or over-load relay trips. The control diagram for a semi- automatic
starter is shown in Fig. 5.2. Explanation of control operation is as follows:
When ON-push button is pressed contactor S gets energized and it connects the
motor windings in star connection. (Refer power diagram in Fig. 5.1).
Simultaneously the auxiliary contact S1 closes and S2 opens. Closing of S1 causes
energisation of contactor M which is then kept energized through its own
auxiliary contact M1. Opening of contact S2 provides interlocking i.e., the
delta contactor cannot get energized as long as contactor S is energized.
Contactor S remains energized as long as the ON-push button is kept pressed
because there is S.
Fig. 5.2 Control circuit for a semi-automatic star-delta
starter
When the ON-push button is released, contactor S gets de-energized,
its auxiliary contacts come back to their original positions as shown in Fig.
5.2. Opening of S1 does not make any difference in operation as the main
contactor is now held through its own contact. However, closing of contact S2
causes energisation of the delta contactor. Thus, now the main contractor and
the delta contactor are energized simultaneously and the motor runs with its
windings connected in delta. Whenever the motor is to be stopped the OFF-push
button is pressed, both the contactors M and D are de-energized (as holding
through auxiliary contact of M is broken). Similar action takes place when the
control contact of the overload relay opens.
1.2 Semi-automatic
Star-Delta Starter
In a three phase
induction motor, the rotor tends to rotate in the same direction as the
revolving magnetic field produced by the stator windings. The direction of the
revolving field depends upon the phase sequence of the supply voltage. If the
phase sequence of supply to the motor windings is changed by interchanging two
phase leads, the direction of the revolving fields is reversed. Thus the
direction of rotation of a three phase induction motor can be reversed if the two supply phase leads to the
motor terminals are interchanged. This phase reversal to the motor terminals is
accomplished by two contactors. The power diagram for reversing the direction
of rotation of the motor and the associated control circuits are shown in Fig.
5.3.
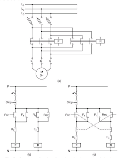
Fig. 5.3 Reversing direction of rotation of a three phase
induction motor ( a) Power diagram ( b) and ( c) Control circuit diagrams
It may be seen from
5.3 (a) that phase reversal to motor terminals has been done by interchanging
phase L2 and phase L3 leads at the upper terminals of the reverse contactor R.
The forward and reverse contactor are mechanically interlocked i.e., if one of
them is closed the other cannot close. This is done to avoid dead short circuit
in case both the contactors closing simultaneously. Electrical interlocking has
also been provided, by using control contacts.
Electrical interlocking is essential even if mechanical interlocking of
contactors is provided. This is because, if the coil of contactor which is
mechanically interlocked not to close, is energized, its coil gets burnt.
The
coil gets burnt as it draws large current due to less reactance in this case.
Reactance of coil is less as reluctance to flux path increases due to large air
gap between the electromagnet and the locked armature of contactor. Forward
reverse starters may be designed for either Forward-Reverse Operation or
Forward- Off-Reverse Operation. The control diagram in Fig. 5.3 (b) is a simple
circuit for Forward- Off-Reverse operation. The motor can be run in forward or
reverse direction by pressing FOR or REV push buttons. When say the FOR-push
button is pressed contactor F gets energized and is held energized through its
auxiliary contact F1. As the interlocking contact F2 is now open the reverse
contactor R cannot be energized even if the REV-push button is pressed. When
the motor is to be reversed, the motor is to be stopped first by pressing the
STOP-push button which de-energizes contactor F, only then the motor can be run
in reverse direction by pressing the REV-push button. Control circuit in Fig.
5.3 (c) is for direct reversing of the motor.
In this circuit, for reversing
there is no need to first press the STOP-push button. Direction of rotation of
the motor can be changed by pressing the respective push button. This is
accomplished by using interlocking through NC contacts of the push button in
the coil circuits of the contactors. Assume that motor is running in forward
direction when contactor F is energized through closed contact F1, NC contact
of reverse push button, and normally closed contact R2 of reverse contactor R.
When it is desired to reverse the motor direction, REV-push button is pressed,
its NO contact closes whereas its NC contact which is in series with coil of
contactor F opens. Contactor coil of F is thus de-energized and its holding
circuit is also released. De-energization of F also leads to closing of its
auxiliary contacts F2. The reverse contactor R is thus energized through NO
contact of REV-push button, NC of FOR- push button, and NC contact F2 of
contactor F.
The contactor R remains energized through its auxiliary contact
R1. Similar action takes place when the motor is to again run in forward
direction by pressing FOR-push button. Induction motors can be safely reversed
by direct reversing method as the inrush current is not significantly more than
when it is started direct from rest. Direct reversing is also used for bringing
a motor to standstill quickly using reverse torque acting as a brake.
2. Equipments
·
DVP14ES00R
·
1x10A mcb.
·
230V(coil), 50Hz, 10A Relay
·
Green and red indicator lamp.
·
NO and NC pushbuttons.
·
ON-OFF switch.
·
Flexible wires.
·
Single phase power source.
·
Control board.
3. Procedure
Part 1:
Semi-automatic Star-Delta Starter 1.
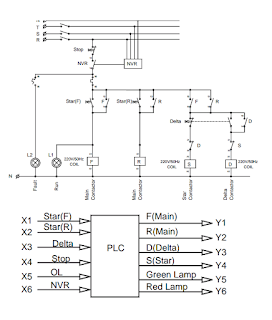
For the following semi automatic star-delta control system
sketch the ladder diagram . The input – output diagram of the PLC is shown in
the figure.
2. Download and operate your program
Part 2: Semi-automatic Star-Delta Starter with reversing the
direction
1.
For the following star-delta control system
sketch the ladder diagram .The input – output diagram of the PLC is shown in
the figure









No comments:
Post a Comment